CROUZI SA FPE EI30 1V
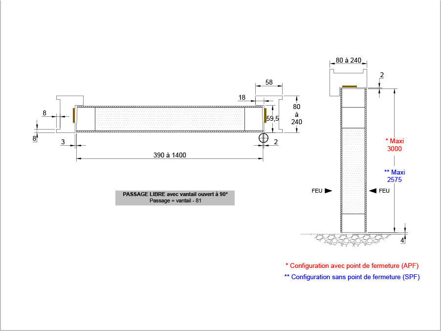
POINT DE FERMETURE FACULTATIF JUSQU'A 2575 mm : LES FERMES-PORTES DEVIENNENT OBLIGATOIRES
Bois à peindre : CHÊNE LCA KKK / SAPELLI / CURUPIXA
Bois à vernir : CHÊNE LCA DKD (cochonnet non replaqué) / CHÊNE MASSIF / SAPELLI
Cadre :
Bois à peindre : CHÊNE LCA KKK / SAPELLI / CURUPIXA
Bois à vernir : CHÊNE LCA DKD / CHÊNE MASSIF / SAPELLI
Joint de confort dans l'huisserie (optionnel)
1 ou 2 plinthes automatiques ATHMER Schall-Ex L-15/30
Paumelles 160 x 80 mm acier roulé ou inox - Paumelles 160 x 80 mm acier roulé renforcées ou à billes - Paumelles acier 160 x 100 mm ou 160 x 120 mm
Charnières DENSEI (ressort + amortisseur + vide)
Charnières INVISIBLES Tectus TE 540 3D A8 / TE 640 3D A8 - huisserie de 80 x 70 mm MINI
Charnières INVISIBLES Tectus TE 541 FVZ
Les charnières Tectus sont associées obligatoirement à des goujons anti-vol (renfort de paumelle) VACHETTE Réf 6592
PYROBEL 16 :
1 rectangulaire de 1600 x 870 maximum - position à 100 mm mini des chants verticaux
1 Circulaire Ø 300 / 400 / 500 - position à 100 mm mini des chants verticaux
1 triangulaire équilatéral de 400 de base pour 345 de haut - position à 100 mm mini des chants verticaux
Oculus multiples : nous consulter
PYROBELITE 10 (le BP devient EW 30) :
1 rectangulaire de 1600 x 870 maximum - position à 100 mm mini des chants verticaux
1 Circulaire Ø 300 / 400 / 500 - position à 100 mm mini des chants verticaux
1 triangulaire équilatéral de 400 de base pour 345 de haut - position à 100 mm mini des chants verticaux
Oculus multiples : nous consulter
Serrures mécaniques :
VACHETTE : série D45 - BRICARD : 850 - JPM : Multibat - ASSA ABLOY : série EL160 - DORMA : SVP 5000
Serrure 3 points : MACO : A-TS F50 T20
Serrure mécanique en applique :
ISEO : STYL'BARR - dimension maxi vantail 2575 x 1400 mm - ferme-porte obligatoire
Autres serrures :
Serrure à rouleau JPM : Multibat 29000 pour dimension maxi vantail 2575 x 1400 mm - ferme-porte obligatoire
Serrure à pêne magnétique METALUX : 9667 M pour dimension maxi vantail 2575 x 1400 mm - ferme-porte obligatoire
VINGCARD : origninal / classic / Signature / Signature RFID / Essence V2 / Essence RFID / Allure
ONITY : HT 24/48 RFID / Advance RFID - CISA : CS9500 / Wave Mode Evolution / eGO / eSigno
DENY FONTAINE : C1500
Applique :
ISEO : DAE 3000-1 - SEWOZY : Bandeau ventouse CPREG-2 - SEWOZY : Ventouses EF550 - JPM : VE1000 - DORMA : TV 100 / TV200 (uniquement 24 volts)
Encastrés dans traverse huisserie :
SEVAX : SMA 1 point - traverse haute de 80 mm MINI
Encastrés dans chant vertical :
Serrure ASSA ABLOY : KEL série 564 / 565 / 560 ; Mesure conservatoire ASSA ABLOY série EL160 - câble et passe-câble posés
Serrure DORMA : SVP 2000 / SVP 4000 / SVP 6000 / SVZ 6000 ; Mesure conservatoire SVP 5000 - câble et passe-câble posés
Gâche électrique à rupture :
EFF EFF : Profix 2 138 - câble et passe-câble posés - dimension maxi vantail 2575 x 1400 mm - ferme-porte obligatoire
Gâche électrique à émission :
EFF EFF : Profix 2 118 - câble et passe-câble posés
JPM : Crossbar 89 / PushBar90 - dimension maxi vantail 2575 x 1400 mm - ferme-porte obligatoire
ASSA ABLOY : PBE011 - Avec serrure série EL160 / EL560 uniquement
Applique :
DORMA : TS 91 / TS 92 / TS 93 - GEZE : TS WOOD / TS 3000 / TS5000
Applique débrayable :
DORMA : TS 99 FL - GROOM : GRL500 FS - GÉZÉ : TS 5000 EFS
Encastrés :
DORMA : ITS 96 F2-4 & F3-6 - GEZE : Boxer F2-4 & F3-6 - SEVAX : Integra 24 - BRICARD : 640
Encastré débrayable :
DORMA : ITS 96 FL (24 Volts)
PROTECTIONS - Hauteur maxi 1500 mm:
PVC 20/10ème ou INOX 15/10ème : Plaques de protection (sur 1 ou 2 faces du vantail) et cornières d'huisserie (côté opposé aux paumelles)
Ouvre-portes :
ASSA ABLOY : SW300 - DORMA : ED 100 / ED 250 (uniquement 24 volts)
Détecteurs de présence :
BEA Sensors : Flatscan SW
Contact de position : EFF EFF 10405
Grille de ventilation 400 x 300 mm maxi
Bâton de maréchal
Microviseur Ø 12 mm :
JOURJON : Vesuvio 200
Non fourni par CROUZILLES - Epaisseur maxi 25 mm - Largeur maxi 180 mm - Fixation par colle (Essence identique au bloc-porte)
Tout autre habillage nécessitera un AVIS DE CHANTIER
Pose dans cloisons :
Murs maçonnés ou béton cellulaire - Légère : plaque de plâtre 98/48 mini - Carreaux de plâtre de MINI 100 mm
Cloison vitrée : (HAUTEUR MAXI 3400 ou 4000 mm / poids maxi vitrage = 175 kg)
PYROBELITE 10 (EW30) et PYROBEL 16 (EI30) - PV EFR-22-002099
PYROBEL 25 (EI60) - PV EFR-22-002101
Cloison vitrée BORD A BORD VISION LINE : (HAUTEUR MAXI 3000 mm / poids maxi vitrage = 175 kg)
PYROBEL 16 (EI30) - PV EFR-22-002102
PYROBEL 25 (EI60) - PV EFR-22-002103
Châssis plein (HAUTEUR MAXI 3400 mm) - PV EFR-21-002983
Pose en applique (Rénovation)
Montage sous tenture
Montage sous tenture de cloison (Charnières INVISIBLES Tectus TE 541 FVZ ou paumelles à lames rallongées)
Montage en tableau déporté de la construction support
PROTECMA (avec anti-pince-doigts)
ISOLATION ACOUSTIQUE

