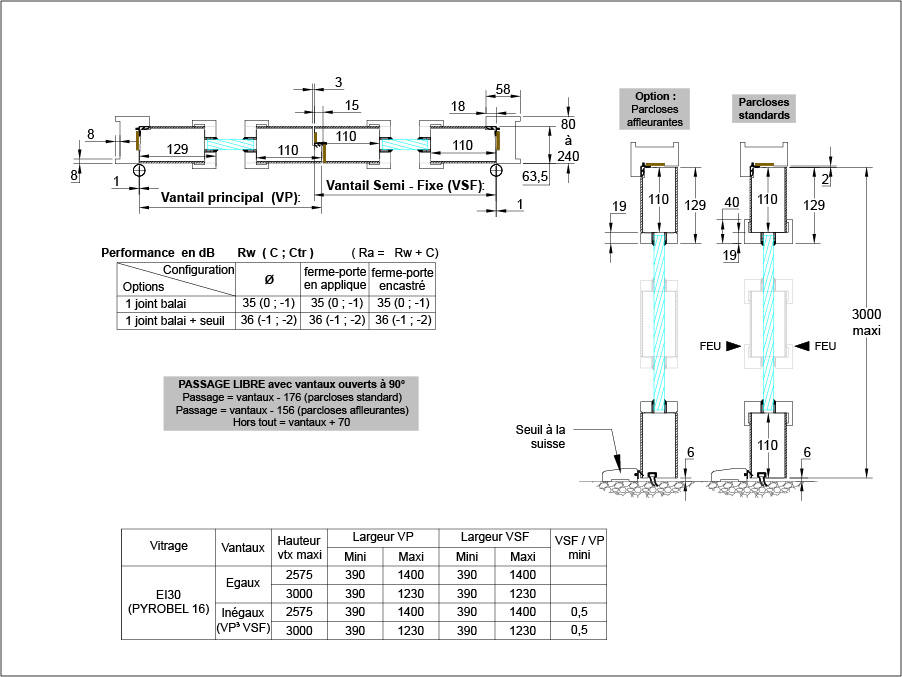
CROUZI GV SA EI30 2V - Acoustique en feuillure de battement 35 dB
POINTS DE FERMETURE OBLIGATOIRES - Rw (C ; Ctr) = 36 (-1 ; -2) dB
Bois à peindre : CHÊNE LCA KKK / SAPELLI / CURUPIXA
Bois à vernir : CHÊNE LCA DKD (cochonnet non replaqué) / CHÊNE MASSIF / SAPELLI
Feuillure de battement
Contrefeuillure pratiquée sur les chants verticaux et traverse haute des vantaux, le chant bas est à coupe droite
Cadre :
Bois à peindre : CHÊNE LCA KKK / SAPELLI / CURUPIXA
Bois à vernir : CHÊNE LCA DKD / CHÊNE MASSIF / SAPELLI
Montants et traverses de largeur 110 mm mini
Possibilité d'1 ou 2 traverses intermédiaires
Joint isophonique dans l'huisserie (livré avec lèvres reliées par une languette à enlever avant utilisation)
1 joint balai ou 1 plinthe automatique ATHMER Schall-Ex L-15/30 (sans résultat acoustique)
Seuil suisse
EI30 : PYROBEL 16 (vantaux d'épaisseur 62 mm avec contrefeuillures)
Les vantaux peuvent être équipés de 1 à 3 vitrages
Possibilité de partie basse pleine lisse (panneau plein)
Serrures mécaniques encastrées :
VACHETTE : D45 et D45 Urgence - LAPERCHE : Urgence - BRICARD : 850 - JPM : Multibat
ASSA ABLOY : EL160 / EL360 (microswitch) - câble et passe-câble posés - DORMA : SVP 5000
VINGCARD : Origninal / Classic / Signature / Signature RFID / Essence V2 / Essence RFID (coffre EURO uniquement)
ONITY : HT 24/28 RFID / Advance RFID - CISA : CS9500 / Wave Mode Evolution / eGO / eSigno
Applique :
ISEO : Verrou d'issue de secours électrique : DAE 3000-2 - SEWOZY : Ventouses EF550 - JPM : VE1000
DORMA : TV 100 / TV 200 (uniquement 24 Volts)
Encastrés dans feuillure de battement (un seul joint balai) - Rw (C : Ctr) = 35 (0 ; -1) dB :
Serrure ASSA ABLOY : KEL série 560 ; Mesure conservatoire ASSA ABLOY série EL160 - câble et passe-câble posés - 1 joint balai uniquement
Serrure DORMA : SVP 2000 / SVP 4000 / SVP 6000 / SVZ 6000 ; Mesure conservatoire SVP 5000 - câble et passe-câble posés
Gâche électrique à rupture (en non feu uniquement) :
EFF EFF : Profix 2 138 - câble et passe-câble posés - dimension maxi vantail 2575 x 1400 mm - ferme-porte obligatoire
Gâche électrique à émission :
EFF EFF : Profix 2 118 - câble et passe-câble posés
Applique - dimension maxi vantaux 2575 x (1400 + 1400) mm - fermes-portes obligatoires :
LA CROISEE DS : SEVAD - JPM : EUROPAD
Encastrés :
Verrou automatiques VACHETTE : VAM
Verrou à bascule MERCIER : réf. 526
JPM : Crossbar 89 / PushBar 90 - hauteur maxi vantaux 2575 mm - ferme-porte obligatoire
ASSA ABLOY : PBE011 - Avec serrure série EL 160 / EL 560 uniquement
Applique :
DORMA : TS 91 / TS 92 / TS 93, possibilité de sélecteur intégré GSR - GÉZÉ : TS WOOD / TS 3000 / TS 5000
Encastrés :
DORMA : ITS 96 F2-4 & F3-6 possibilité de sélecteur intégré GSR - GÉZÉ : Boxer F2-4 & F3-6 - SEVAX : Integra 24
PROTECTIONS - Hauteur maxi 1500 mm :
PVC 20/10ème ou INOX 15/10ème : Plaques de protection (sur 1 ou 2 faces des vantaux) et cornières d'huisserie (côté opposé aux paumelles)
Contact de position : EFF EFF 10405
Ouvre-portes :
ASSA ABLOY : SW300 - DORMA : ED 100 / ED 250 (uniquement 24 Volts)
Détecteurs de présence :
BEA Sensors : Flatscan SW
Non fourni par CROUZILLES - Epaisseur maxi 25 mm - Largeur maxi 180 mm - Fixation par colle (Essence identique au bloc-porte)
Tout autre habillage nécessitera un AVIS DE CHANTIER
Pose dans cloisons :
Murs maçonnés ou béton cellulaire - Légère : plaque de plâtre 98/48 mini - Carreaux de plâtre de MINI 100 mm
Cloison vitrée (HAUTEUR MAXI 3400 ou 4000 mm / poids maxi vitrage = 175 kg) :
PYROBELITE 10 (EW30) et PYROBEL 16 (EI30) - PV EFR-22-002099
PYROBEL 25 (EI60) - PV EFR-22-002101
Cloison vitrée BORD A BORD VISION LINE (HAUTEUR MAXI 3000 mm / poids maxi vitrage = 175 kg) :
PYROBEL 16 (EI30) - PV EFR-22-002102
PYROBEL 25 (EI60) - PV EFR-22-002103
Châssis plein (HAUTEUR MAXI 3400 mm) - PV EFR-21-002983
Pose en applique (Rénovation)
Montage en tableau déporté de la construction support
