CROUZI FPE EI 30/1V DAS FP APPLIQUE
Disponible en CROUZICHOC
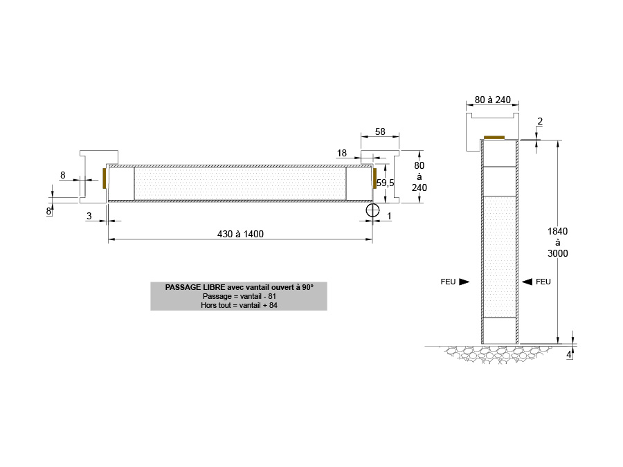
HUISSERIE BOIS
L’âme est un panneau d’anas de lin de 50 mm d’épaisseur. L’ensemble est replaqué d’un parement en panneau de fibres de bois dur de 3 mm d’épaisseur environ.
L’épaisseur de la porte varie suivant le revêtement de 56 à 57 mm.
Les joints intumescents sont collés en usine.
1 point de fermeture (facultatif jusqu’à 2575 de haut).
1 point de fermeture OBLIGATOIRE pour hauteur supérieure à 2575.
Voir rubrique DIVERS pour revêtements, protections et garantie.
Ferme-porte à poser en applique TS 91 force 4 (vantail jusqu'à 930) - TS 92 force 2-4 (vantail jusqu'à 1030) (DORMA), TS WOOD (vantail jusqu'à 930) - TS 5000 (GEZE) avec glissière standard + ventouse 24 ou 48 Vcc type à rupture (pose au mur ou au sol) ou émission (pose au mur).
Possibilité de remplacer la glissière standard par une glissière G 93 EMF DORMA (24 ou 48 Vcc type à rupture) ou glissière E GEZE (24 Vcc type à rupture) qui intègre le dispositif d’arrêt électromagnétique.
Possibilité d’équiper ce bloc-porte avec :
* PYROBEL 16 (le BP restant EI 30) en 1600 x 870 maximum à condition de laisser au minimum 100 mm des bords du vantail.
* PYROBELITE 7 EG et PYROBELITE 10 (le BP devenant EW 30) en 1600 x 400 maximum à condition de laisser au minimum 150 mm des bords du vantail.
* PYROBEL 16 (le BP restant EI 30) ou avec PYROBELITE 7 EG et PYROBELITE 10 (le BP devenant EW 30) jusqu'à 3 oculus de 400 x 300 ou diamètre 300 - 400 ou 500 ou triangulaire de 400 de base par 345 de haut (triangle équilatéral) à condition de laisser 150 mm des bords du vantail et 100 mm minimum entre chaque oculus. Les oculus triangulaires peuvent être orientés dans toutes les directions.
- Possibilité d’équiper l’huisserie avec joint isophonique qualité “feu”. Celui-ci étant livré avec lèvres reliées par une languette, il est impératif de l’enlever avant utilisation.-
- Protection des montants d’huisserie (côté opposé aux paumelles) et des faces des vantaux en PVC 20/10° ou INOX 15/10° sur une hauteur maxi de 1500 mm.
- Parcloses affleurantes à la place de débordantes.
- Les 4 paumelles peuvent être remplacées par 3 paumelles “invisibles” TECTUS TE 540 3D A8 (en complément un renfort de paumelle JPM est obligatoire). ATTENTION l’huisserie passe de 58 mm de large à 70 mm de large avec les TECTUS.
- Contact de position de sécurité (porte fermée) 10405 (EFF-EFF), placé dans le montant de l’huisserie côté paumelles.
- Verrouillage d’issue de secours ou contrôle d'accès par serrure électrique encastrée dans la traverse de l’huisserie SMA (SEVA). ATTENTION la traverse d’huisserie passe de 58 mm à 80 mm.
- Serrure 1 point à mortaiser.
- Verrouillage d’issue de secours ou contrôle d'accès par serrure électrique encastrée type KEL série 500 (ABLOY) avec rainure pour passe-câble et pose d’une jarretière FM2500 (JPM).
- Antipanique BAR 8 - NORMA - séries 80, 90 - PUSH CONTROL (JPM).
- Condamnation du vantail par serrure 2 points en applique CAVERS (STYL’BARR), pour cylindre européen.
.- Verrouillage d’issue de secours ou contrôle d'accès par serrure électrique à poser en applique sur la traverse, VE 1000 (JPM), TV 100 (DORMA), TV 200 (DORMA).
ATTENTION : Les verrouillages sont proposés en 24 ou 48 volts type à rupture. SEUL le TV 100 n’existe qu’en 24 volts.
Les verrouillages nécessitant des largeurs minimales, variables en fonction du modèle choisi, merci de nous consulter.
- Ventouse électromagnétique réf. EF550 (SEWOSY).
- Bandeau ventouse électromagnétique réf. CPERG-2 (SEWOSY).
- PYROBELITE 10 (EW 30) : Les dimensions hors tout de chaque vitrage seront au maximum de 3100* mm de haut x 1320* mm de large (* avec une surface maximale de 3,79 m2) et de 1130 mm de haut x 2240 mm de large.
- PYROBELITE 9EG (EW 30) : Les dimensions hors tout de chaque vitrage seront au maximum de 2900 mm de haut x 1100 mm de large et de 1130 mm de haut x 2240 mm de large.
- PYROBEL 16 (EI 30) : Les dimensions hors tout de chaque vitrage seront au maximum de 2874 mm de haut x 1700 mm de large et de 1450 mm de haut x 2750 mm de large.
- PYROBEL 25 (EI 60) : Les dimensions hors tout de chaque vitrage seront au maximum de 2860 mm de haut x 1910 mm de large et de 1540 mm de haut x 2530 mm
de large.
- PYROBEL 16 (EI 30) : Les dimensions hors tout de chaque vitrage seront au maximum de 2860 mm de haut x 1200 mm de large.
- PYROBEL 25 (EI 60) : Les dimensions hors tout de chaque vitrage seront au maximum de 2860 mm de haut x 1200 mm de large.

